Search for:
Toggle navigation
应用
材料科学
钢铁及合金
陶瓷及硬质涂层
玻璃
聚合物及复合材料
土木工程和建筑材料
木材,纺织品及纸张
生命科学
生物医学工程
细胞&组织形态学
微生物学
制药技术
植物和动物科学
亚细胞分析
环境和食品科学
半导体和微电子
集成电路的失效分析
线路修补
球栅阵列
硅通孔
引线焊接
显示器
微机电系统
电池
地球科学
岩石学 & 矿物学
古生物学
矿物加工
石油 & 天然气
废物回收
产品
SEM
TESCAN CLARA
TESCAN MAGNA
TESCAN MIRA
TESCAN VEGA
FIB-SEM
TESCAN SOLARIS
TESCAN SOLARIS X
TESCAN AMBER
TESCAN AMBER X
X 射线显微镜系统
CoreTOM
DynaTOM
UniTOM HR
定制化方案
TIMA-X 综合矿物分析仪
TESCAN SEM / FIB-SEM 集成拉曼一体化显微镜
自动进样系统
MIRA3 AMU
探测器
二次电子探测器
背散射电子探测器
电子束减速技术
电子背散射衍射
扫描透射探测器
阴极荧光探测器
低真空二次电子探测器
电子束感生电流
X 射线谱仪
二次离子探测器
飞行时间 - 二次离子质谱
附件
电脑控制的优中心样品台
控制面板
气体注入系统
等离子清洗器
帕尔贴制冷/加热样品台
束闸
样品交换仓
样品台导航相机系统
纳米机械手
电荷中和枪
摇摆样品台
XM 和 GM 型扩展样品仓
软件
DrawBeam 软件
关于 TESCAN
新闻
联系我们
Tescan
/
应用
/
生命科学
/
制药技术
制药技术
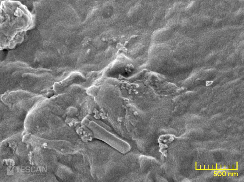
在新药开发和研究领域里,电子显微镜发挥着不可或缺的作用。药物的结构、颗粒大小、孔隙率以及污染物的存在都可能影响到药物的最终作用。
TESCAN扫描电镜
的高分辨成像能力及卓越的分析性能为药物开发研究的质量控制提供了完美和可靠的工具。
专用的
EasySEM
和
EasyEDX
软件使 TESCAN 电镜系统成为易于使用的常规质量管理设备。
现在,许多研究工作致力于开发超微或者纳米级的药物载体,以利于药物的控释和靶向性配送。
这些药物大部分基于高分子化学物质,对电子束十分敏感。
为了解决这些问题,
TESCAN设计开发了 MAIA3 超高分辨场发射扫描电镜
,能够提供低加速电压下的最高分辨成像能力。
使用低真空 UniVac 模式,研究者可以直接观察不能用常规方法制备的样品,或不能进行镀膜处理的非导电性样品。
此外,
使用 Peltier 冷台
和水汽注入系统,研究者可以监测物质结晶或溶解的动态过程。
药物粉末结构
相关应用案例
Low temperature scanning electron microscopy for Life Sciences
Low temperature scanning electron microscopy (Cryo-SEM) has become an established technique for capturing and observing biological samples close to their natural state. It is a method of choice, where the traditional sample preparation (e.g. critical point drying) causes unwanted changes in the sample structure. A Cryo-SEM workflow typically involves sample fixation using either flash-freezing in a liquid nitrogen slush or high-pressure freezing. The frozen samples are then transferred under vacuum to a cryo sputter coater, where they are coated with a conductive layer of metals or carbon. Finally, the samples are inserted into a SEM chamber equipped with a cryo-stage and observed in high vacuum environment.
pdf – 4.8 MB
×
Download : Low temperature scanning electron microscopy for Life Sciences
Email
*
Name
*
Surname
*
Market segment
- choose segment -
Materials Science
Life Sciences
Semiconductors
Earth Sciences
如果您感兴趣,请联系我们!
推荐机型
TESCAN MIRA
SEM
TESCAN VEGA
SEM
推荐附件和定制化方案
TESCAN SEM / FIB-SEM 集成拉曼一体化显微镜
定制化方案
电子束减速技术
探测器
帕尔贴制冷/加热样品台
附件
低真空二次电子探测器
探测器
X 射线谱仪
探测器
飞行时间 - 二次离子质谱
探测器